没有辅助触点的交流接触器怎么进行应急接线


当交流接触器的辅助触点损坏无法修复且要急需使用时,采用图12中的接线方法,可以满足应急使用要求。

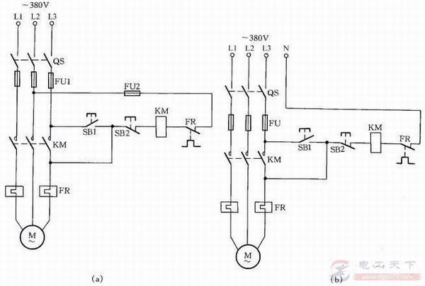
具体应急处理过程为:

按下SB1,交流接触器KM吸合。放松按钮SB1后,KM的触点兼作自锁触点,使接触器自锁,因此KM仍保持吸合。图中SB2为停止按钮,在停止时,按动SB2的时间要长一点。否则,手松开按钮后,接触器又吸合,使电动机继续运行。因为电源电压虽被切断,但由于惯性的作用,电动机转子仍然转动,其定子绕组产生感应电动势,一旦停止按钮很快复位,感应电动势直接加在接触器线圈上,使其再次吸合,电动机继续运转。

接触器线圈电压为380V时,可以按图12(a)所示接线;接触器线圈电压为220V时,可以按图12(b)接线。如下图(a)中的接线仍有缺陷,即在电动机停转时,其引出线及电动机带电,使维修不大安全。

因此,这种线路只可以在应急时采用,并且在维修电动机时要断开控制电动机的总电源开关QS,这一点必须特别注意。

没有辅助触点的交流接触器怎么进行应急接线

图1:缺辅助触点的交流接触器应急接线