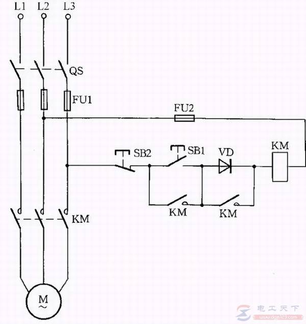
当供电电压在交流接触器吸引线圈额定电压的85%以下时,启动接触器衔铁将跳动不止,无法进行可靠吸合,在交流接触器的控制回路中串联一只整流管,改为直流启动交流运行,即可以避免这一问题。
交流接触器的低电压启动线路如图:

图1:交流接触器低电压启动线路
工作过程为:按下按钮SB1,经二极管VD半波整流的直流电压加在交流接触器KM线圈上,KM吸合。其辅助触点将二极管VD短接,交流接触器投入交流运行。
因为启动电流较大,这种线路只适用于操作不频繁的场合。在该线路中,VD应选用耐压大于700V的二极管,电流需要根据交流接触器线圈电流来定。